Вверх
Ваш город: Новосибирск
Ваш город Новосибирск?
Да
Другой
Адресул. 10 лет Октября, 199 Адресул. 22 апреля, 35, к.1, стр.1 Адресбульвар Архитекторов 22/5 Адресул. Сибиряков-Гвардейцев 56/6 Адресулица Сыганак, 54/2 ​​​​​​БЦ Номад Адреспр. Гашека, 1 Адресул. Новосибирская, 48 Адресул. Рабочая, 1а
Распродажа

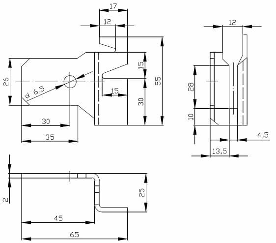
Держатель шин заземления К188У2

Производитель: ЗЭТА

Артикул: zeta50110

Характеристики

Производитель: ЗЭТА
Материал: Сталь
Изделие: Держатель шины заземления
Держатель шин заземления К188У2 для крепления к строительным конструкциям круглых (диаметром 10 и 12 мм) и плоских (размерами 40x4 мм и 25x3 мм) заземляющих проводников. Заземляющие проводники укладывают в пазы держателя К188: круглые в верхнюю часть паза, выполненную в виде призмы, плоские в нижнюю прямоугольную часть паза. Круглые и плоские заземляющие проводники фиксируются отгибанием усиков. Держатель полосы заземления К-188 У2 закрепляется пристрелкой, приваркой или винтом.
Производитель: ЗЭТА
Материал: Сталь
Изделие: Держатель шины заземления

Доставка: 500 р., от 1 до 3 дней, точный срок рассчитывается при оформлении заказа
Самовывоз: бесплатно, пн-пт с 08:00 до 18:00, сб с 09:00 до 17:00

Доставка осуществляется по городу ОМСК